一、洗衣机怎么自动洗衣服1、第一步,将洗衣机正常通上电源,将接水管安装到位,确保滚桶处于相对密闭的环境!2、第二步,在洗衣槽内倒入少量专用洗衣机清洗剂!3、第三步,等个两分钟,按下洗衣机的开始按钮!选择自洁的程序!再点一下开始工作的按钮!此
一、洗衣机怎么自动洗衣服
1、第一步,将洗衣机正常通上电源,将接水管安装到位,确保滚桶处于相对密闭的环境!
2、第二步,在洗衣槽内倒入少量专用洗衣机清洗剂!
3、第三步,等个两分钟,按下洗衣机的开始按钮!选择自洁的程序!再点一下开始工作的按钮!此时洗衣机就开始自我清洁的工作了!
4、第四步,等待大约20分钟后,洗衣机自我清洁完成后,它会自动停止,再等片刻我们打开洗衣机的机盖,用洗干净的手摸一下滚桶的四周,如果非常干燥,那就表示这次自我清洁非常的顺利和高效。
二、自动洗衣机怎么放水出来
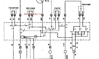
1、全自动洗衣机是通过水位开关与电磁进水阀配合来控制进水、排水以及电机的通断:从而实现自动控制的。
2、首先把进水管、水龙头相连接;其次开启水龙头,连通洗衣机的电源,把衣物平整的放入洗涤桶中, 设定需要的程序;
3、最后启动按键开关,待系统收到指令之后,便会自动往洗涤桶内注水,待水位达到标准后,洗衣机便会开始清洗衣物。
三、自动洗衣机不转动怎么回事
1、首先,我们需要检查一下全自动洗衣机的转动电机是否转动灵活,如果发现洗衣机的电机转动并不灵活,就说明这时候电机的润滑不好,因此洗衣机的洗衣桶自然转不起来,要想使洗衣桶正常工作,我们需要及时给电机添加润滑油脂。
2、 其次,洗衣桶不转也可能与洗衣机的门盖开关接触不良有关,在对这一原因进行排查的时候,我们需要用螺丝刀把洗衣机后面的螺丝拆卸下来,然后翻开洗衣机的操作面板来检查,如果发现的确是门盖开关接触不良或者是门盖开关被咬断的问题,那就需要及时对门盖开关进行修理或是更换。

四、如何在没有自来水的情况下,使用全自动洗衣机
1、家用洗衣机一般都是水洗的,自来水没有,水总得有,不论用什么容器什么方法准备好大量的水。
2、以标准程序为例,除了最后两项程序其他程序主要是在洗涤时间上有差异,既然没有自来水,水量就设置小一些,衣服自然就洗的少一些,过程一般默认为后三项,按启动按钮,此时洗衣机等待加水,开始往洗衣机里倒水,直到洗衣机开转,洗涤就加一次水。
3、洗涤大概20分钟,然后排水,接着就是漂洗,漂洗一般需要加两次水,排两次水,可能中间还会有脱水,看洗衣机具体情况,所以加水的时候盖子打开,加完以后就盖上,这样洗衣机才能正常工作。
如果没有自来水的情况下,还要使用全自动洗衣机,那么,我们只需要把洗衣机的上下水,尤其是下水接好排水管,然后把洗衣机的上盖开,只要用桶或者盆接水倒在洗衣机里,然后根据洗衣机的水位标示刻度线,不要超过标识口头线就可以,然后就可以自动洗衣服了
无论是波轮还是滚筒式全自动洗衣机,都需要连接给水管,水压稳定,保证正常使用。
五、自动洗衣机怎么手动排水
1、把全自动洗衣机的自动排水改装为手动排水方法:首先将排水的电磁阀换掉,换一个手动的阀门就好了。1,全自动洗衣机当电磁线圈通电后,移动铁芯在磁力作用下上移,离开膜片,并使膜片的中心小孔打开,于是膜片上方的水通过中心小孔流入洗衣桶内。
2、由于中心小孔的流通能力大于膜片两侧小孔的流通能力,膜片上方压强迅速减小,膜片将在压力差的作用下上移,闭门开启,水流导通。
3、2,全自动洗衣机就是将洗衣的全过程(泡浸-洗涤-漂洗-脱水)预先设定好N个程序,洗衣时选择其中一个程序,打开水龙头和启动洗衣机开关后洗衣的全过程就会自动完成,洗衣完成时由蜂鸣器发出响声。
